CorrelChDet.cxxΒΆ
This example illustrates the class otb::CorrelationChangeDetector for detecting changes between pairs of images. This filter computes the correlation coefficient in the neighborhood of each pixel of the pair of images to be compared.
|
|
|
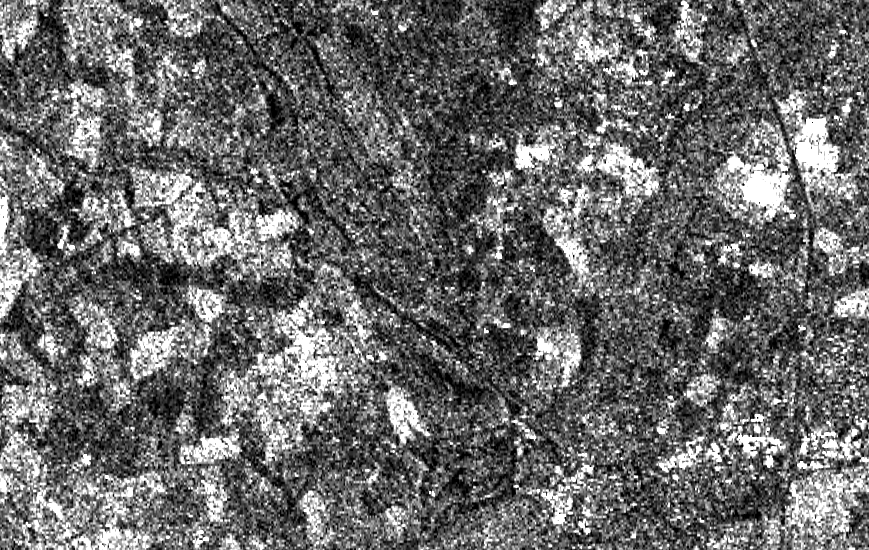
ERS Images for Change Detection. Left: Before the flood. Middle: during the flood. Right: result of the correlation change detector
Example usage:
./CorrelChDet Input/ERSBefore.png Input/ERSAfter.png Output/CorrChDet.tif 15
Example source code (CorrelChDet.cxx):
#include "otbImageFileReader.h"
#include "otbImageFileWriter.h"
#include "otbImage.h"
#include "itkShiftScaleImageFilter.h"
#include "otbCommandProgressUpdate.h"
#include "otbCorrelationChangeDetector.h"
int main(int argc, char* argv[])
{
if (argc < 5)
{
std::cerr << "Usage: " << std::endl;
std::cerr << argv[0] << " inputImageFile1 inputImageFile2 "
<< "outputImageFile radius" << std::endl;
return -1;
}
// Define the dimension of the images
const unsigned int Dimension = 2;
// We start by declaring the types for the two input images, the
// change image and the image to be stored in a file for visualization.
using InternalPixelType = float;
using OutputPixelType = unsigned char;
using InputImageType1 = otb::Image<InternalPixelType, Dimension>;
using InputImageType2 = otb::Image<InternalPixelType, Dimension>;
using ChangeImageType = otb::Image<InternalPixelType, Dimension>;
using OutputImageType = otb::Image<OutputPixelType, Dimension>;
// We can now declare the types for the readers. Since the images
// can be very large, we will force the pipeline to use
// streaming. For this purpose, the file writer will be
// streamed.
using ReaderType1 = otb::ImageFileReader<InputImageType1>;
using ReaderType2 = otb::ImageFileReader<InputImageType2>;
using WriterType = otb::ImageFileWriter<OutputImageType>;
// The change detector will give a response which is normalized
// between 0 and 1.
// Before saving the image to a file in, for instance, PNG format, we will
// rescale the results of the change detection in order to use all
// the output pixel type range of values.
using RescalerType = itk::ShiftScaleImageFilter<ChangeImageType, OutputImageType>;
// The CorrelationChangeDetector is templated over
// the types of the two input images and the type of the generated change
// image.
using FilterType = otb::CorrelationChangeDetector<InputImageType1, InputImageType2, ChangeImageType>;
// The different elements of the pipeline can now be instantiated.
ReaderType1::Pointer reader1 = ReaderType1::New();
ReaderType2::Pointer reader2 = ReaderType2::New();
WriterType::Pointer writer = WriterType::New();
FilterType::Pointer filter = FilterType::New();
RescalerType::Pointer rescaler = RescalerType::New();
const char* inputFilename1 = argv[1];
const char* inputFilename2 = argv[2];
const char* outputFilename = argv[3];
// We set the parameters of the different elements of the pipeline.
reader1->SetFileName(inputFilename1);
reader2->SetFileName(inputFilename2);
writer->SetFileName(outputFilename);
float scale = itk::NumericTraits<OutputPixelType>::max();
rescaler->SetScale(scale);
// The only parameter for this change detector is the radius of
// the window used for computing the correlation coefficient.
filter->SetRadius(atoi(argv[4]));
// We build the pipeline by plugging all the elements together.
filter->SetInput1(reader1->GetOutput());
filter->SetInput2(reader2->GetOutput());
rescaler->SetInput(filter->GetOutput());
writer->SetInput(rescaler->GetOutput());
// Since the processing time of large images can be long, it is
// interesting to monitor the evolution of the computation. In
// order to do so, the change detectors can use the
// command/observer design pattern. This is easily done by
// attaching an observer to the filter.
using CommandType = otb::CommandProgressUpdate<FilterType>;
CommandType::Pointer observer = CommandType::New();
filter->AddObserver(itk::ProgressEvent(), observer);
writer->Update();
}


